
產品領域

系由電動機全速運轉帶動主軸,經主軸轉動乳化機轉子;由乳化機轉子之導流葉片,使其將物料經定子的上端與下端吸入定子框內,經轉子葉片的端刀面與定子框的極小間隙,從而達到剪切、粉碎、均質的效果;再借葉片的高速離心旋轉,使物料由乳化機定子的槽內排出,使物料達到內循環的狀態;在極短的時間內即可完成均質、乳化的目的。

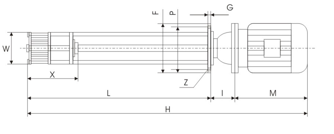
1、本機之機械長度(L)尺寸為標準長度,若須加長或減短可另行配合制造。
2、機械長度之******位置選擇為乳化框槽制于有效液面深入60%為******。
3、乳化機之選定時請參考:容量、粘度、處理時間、反應溫度、目的、致函本公司業務部。
4、乳化機之水中軸套采用自潤式軸承,嚴禁液體低于水中軸套時啟動設備,以避免造成軸受損毀。
5、正確參數以提供的實物為準,數據如有更改,恕不另行通知。

| 功率KW | 有效容量L | 轉速 min/r | H | M | I | L | G | P | F | W | X | Z |
| 1.5 | 20-100 | 1450/2840 | 970 | 300 | 80 | 590 | 10 | 180 | 210 | 140 | 150 | 11 |
| 3 | 50-200 | 1450/2840 | 1320 | 320 | 110 | 890 | 12 | 210 | 245 | 170 | 200 | 13 |
| 4 | 100-300 | 1450/2840 | 1425 | 335 | 140 | 950 | 14 | 210 | 245 | 180 | 200 | 13 |
| 5.5 | 150-600 | 1450/2840 | 1575 | 385 | 140 | 1050 | 15 | 245 | 280 | 190 | 210 | 15 |
| 7.5 | 200-800 | 1450/2840 | 1675 | 385 | 140 | 1150 | 15 | 245 | 280 | 205 | 210 | 15 |
| 11 | 300-1000 | 1450/2840 | 1800 | 490 | 160 | 1150 | 18 | 280 | 350 | 215 | 260 | 18 |
| 15 | 400-1300 | 1450/2840 | 1870 | 490 | 180 | 1200 | 25 | 280 | 350 | 225 | 260 | 18 |
| 18.5 | 500-1500 | 1450/2840 | 2000 | 540 | 180 | 1280 | 25 | 280 | 350 | 240 | 260 | 18 |
| 22 | 800-2000 | 1450/2840 | 2220 | 560 | 180 | 1480 | 25 | 280 | 350 | 255 | 300 | 20 |
立即咨詢

在線咨詢
工作日: 8:00-17:00
在線咨詢